A
ADAPTADOR 5101 a 6264
PARA MPU BALLY
Por ZZT
Los flippers electrónicos tienen un chip de memoria CMOS, muy similar en funcionamiento a la que tienen los modernos PC, la que se usa para conservar diversos datos que sonnecesarios de mantener aunque la máquina esté apagada. PJ. la cantidad de créditos pendientes, puntaje del primer y segundo juego gratis, record (hi-score) entre otros.
|
|
Estamoshablando deuna RAM estática 5101. Este tipo de chipsno requiere ninguna atención en particular por parte de la cpu, al contrario de las ram dinámicas que requieren refresco. Mientras elflipperestá encendido la memoria conserva los datos usando el voltaje que le suministra la fuente de poder,sin embargo, cuandolamáquinaesapagaday
el voltaje desaparece, un sistema de pilas la mantiene energizada.Este sistemavaría dependiendo de la marca: Bally usa una batería soldada, Williams usa tres pilas AAA montadas en un portapilas. |
|
|
Especificaciones técnicas: |
|
Modo de diagnóstico en máquinas Bally
Las MPU Bally no parten si esta memoria está mala o no la tiene puesta. Al encender la máquina se ejecuta inmediatamente un programa de diagnóstico, el cual prueba la memoria y si ésta no funciona correctamente queda detenido. <== Como se puede ver en el video, al no estar insertada la memoria 5101 (o algún reemplazo) la MPU solo hace parpadear 2 veces el LED. Esto es debido a que el programa de diagnóstico comprueba el funcionamiento de la memoria y al no estar insertada ovbiamente la da por mala, causando que la máquina quede detenida y no se pueda jugar. |
|
|
Modo de diagnostico en máquinas Williams Sin embargo, podemos engañar a la máquina. Programe la máquina ingresando todos los valores que corresponden, estos quedarán momentáneamente grabados en la ram 6810. Una vez hecho esto, puede apagar y encender rápidamente la máquina y ésta partirá como si la memoria estubiera buena. Recuerde que la programación se borrará al apagar la máquina y tendrá que ingresar todos los valores cada vez que quiera usar su flipper. |
Nota: Si su máquina no cumple con las condiciones de falla descritas, cambiar esta memoria o hacer el adaptador será inutil!
UN POCO DE HISTORIA
Desde que comencé a reparar flippers en 1992 he tenido el problema de conseguir esta famosa memoria,consideradaobsoletahacemuchosaños. Hoy menos la encontraremos en el comercio de nuestros países,solo está disponible en distintas webs extranjeras y para una persona sin tarjeta de crédito para uso internacional es imposible comprar una.
Actualmente tengo 5 maquinas funcionando perfectamente pero el problema comenzó hace algún tiempo cuando tuve que sacarle esta memoria 5101 a uno de mis bebes para reparar la MPU de un amigo, sin este chip mi máquina quedó inutilizada. Dado que no puedo importar una decidí investigar un poco y encontré "adaptadores" en algunas webs, sin embargo los venden y no publican el circuito esquemático necesario para hacerlo uno mismo. Estos adaptadores permiten usar memorias comunes y corrientes, las cuales por ser actuales son fácilmente encontrables en muchos comercios dedicados a repuestos de electrónica o bien en muchos artefactos como impresoras, routers, etc.
Suponiendo que el adaptador ofrecido a la venta en esta web funciona, me propuse hacer el mío desde cero. El que ofrecen es para la memoria 6116, la cual saqué de un Nintendo NES. Bajé el datasheet, hice mi adaptador y nada, no logré hacerlo funcionar. Luego fijándome un poco mejor me di cuenta que la 5101 tiene 2 líneas CS1 y CS2 y la 6116 solo tiene una línea CS1, con esta duda dejé el proyecto pendiente y busqué una memoria que tuviese CS1 y CS2, así encontré la 6264. Afortunadamente tenía un ejemplar entre mis repuestos, bajé el datasheet y fabriqué otro adaptador el cual si funcionó al primer intento. Ahora tengo mi flipper funcionando con una ram diferente que cumple la misma función que la original, sin el drama de tener que importarla nunca más. El costo de comprar he importar este adaptador hasta Chile es de aprox. $20000 pesos (US$34). Cualquiera de los adaptadores presentados aquí cuesta menos de $5000 (US$10), osea un tercio del costo y si Ud. dispone de piezas de desrame el costo puede ser cercano a cero. Vale la pena hacerlo ¿no?.
A
CIRCUITO ESQUEMÁTICO
![]() |
Eléctricamente este es el circuito esquemático "ideal" del adaptador, sin embargo veremos varias formas en que se puede realizar. Estúdielo bien para evitar errores, creo que queda bastante claro que línea va de donde hacia a donde.
![]() |
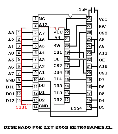
La 6264 tiene una distribución distinta de la 5101, por lo tanto aquí viene la "adaptación". Por favor vea atentamente la diferencia entre ambas para no cometer errores.
![]() |
Las líneas del bus de direcciones (A0 a A7) se conectan uno a uno como corresponde, así mismo CS1 a CS1, CS2 a CS2, RW a RW, OE a OE, Vcc a Vcc, GND a GND. Como la ram 6264 es de mayor capacidad que la 5101, las líneas de direcciones superiores (A8 a A12) deben conectarse a GND, las líneas de datos que no se usaran (D0 a D3) pueden quedar sin conexión. Hay que aclarar que la 5101 solo almacena 4 bits (en cambio la 6264 almacena 8 bits). Esos 4 bits pueden ser guardados en cualquier línea de datos de la 6264, sin importar el orden ya que a la CPU solo le interesa que los datos estén guardados en alguna celda. Los bits de la CPU que se guardan son D4 D5 D6 y D7. <== Otra cosa importante sobre las líneas de datos de la 5101, es que si miramos el circuito esquemático de la MPU, veremos que los pines 9 y 10, 11 y 12, 13 y 14, 15 y 16 se unen. Esto sucede por que la memoria usa una pata como entrada del dato y la otra es la salida del dato. La 6264 usa solo una pata para ambas funciones, como es usual en todas las memorias. |
![]() |
Y ya que estos cuatro pares de patas se unen físicamente por el lado de las soldaduras de la MPU el dato D1 puede ser tomado desde la pata 9 o 10, el dato D2 desde la pata 11 o 12, el dato D3 desde la 13 o 14 y el dato D4 desde la 15 o 16. <== En la foto se ve como estan unidas las patas 9 y10, 11 y 12 (unidas por arriba del circuito), 13 y 14, 15 y 16. Por lo tanto no es necesario hacer doble soldadura en las patas en el adaptador. |
A
PASO A PASO
Lo primero que debemos hacer, es sacar la RAM 5101 defectuosa y guardarla. En caso de estar montada en una base, simplemente retirela. Si esta soldada deberá sacar la MPU de la máquina para poder desoldarla y en su lugar soldar una base nueva en la cual podamos insertar el adaptador que vamos a hacer. De aquí en adelante nos olvidaremos de este famoso chip.
Para la fabricación del adaptador se requiere una placa perforada, la cual se debe recortar al tamaño requerido, dependiendo del diseño que decida hacer. Una base con patas largas permite insertar todo el adaptador en la base original de la MPU sin tener que modificarla. Luego desde las patas largas se puede soldar cables o hacer "puentes" hacia las patas de la base de la memoria 6264. Lo bueno es que no se requiere ningún otro componente, excepto un pequeño condensador cerámico de 0.1uF que se solda entre Vcc y GND el cual es optativo.
Si Ud. esta reparando una MPU Bally o Williams y no puede conseguir el chip 5101 puede utilizar la 6264, la cual es actual y puede encontrar en comercios de electrónica.
A
MATERIALES
|
|
|
1 TROZO DE PLACA PERFORADA |
Si no encuentra bases de las medidas exactas puede comprar más grandes y recortarlas o puede usar dos más chicas, lo importante es lograr la cantidad de pines necesarios. Se recomienda utilizar bases de tipo maquinadas (Machined Sockets), aunque no son muy comunes trate de conseguirlas. La memoria puede ser la HY6264 o puede ser reemplazada por cualquier otra como la KM6264, el prefijo HY o KM solo indica el fabricante. Si tiene los conocimientos necesarios puede fabricar el circuito impresoevitando usar placas perforadas. Si no encuentra bases de patas largas se puede usar un conector IDE. El objetivo es traspasar hacia el adaptador todas las señales que llegan a la memoria 5101 sin importar el tipo de patas o método que decida utilizar. Elija el modo que se acomode mejor a sus necesidades, habilidades o materiales disponibles en su país. Ahora veremos varias formas de hacer el adaptador.
A
ADAPTADOR 1
![]() |
|
||||||||||||||||||||||||||||||||||||||||||||||||||||||||||||||||||||||||||||||||||||
En este primer ejemplo se respetaran las conexiones, es decir A0 va a A0, CS1 a CS1, CS2 a CS2, RW a RW, OE a OE, Vcc a Vcc, GND a GND etc. Recuerde que por abajo del circuito de la MPU las patas de datos de la memoria 5101 se unen: DI1 y D01, DI2 y D02, DI3 y DO3, DI4 y DO4 por eso da lo mismo si ud toma el dato desde los DI o DO (Data In - Data Out). En la memoria 6264 las patas 2, 14, 16, 17, 18, 19, 21, 23, 24, 25 se deben conectar a GND.
En este adaptador hay muchos cables y se ve un poco enredado, pero es más fácil de reparar en caso de ser necesario. Ahora si Ud. esta familizarizado con técnicas más complejas puede ver los otros dos ejemplos, los tres adaptadores realizan la misma función.
![]() |
Primero solde la base de la memoria 6264 y después la base de patas largas, la cual debe quedar a un lado. Desde la base de patas largas deberá soldar cables hacia la base de la memoria 6264.
Importante: La única función de la base de patas largas es traspazar desde la MPU hacia el adaptador las señales que llegaban a la memoria 5101. ¡No esparaponer la memoria mala en ella!
![]() |
Si logra conseguir cable plano de colores sería lo ideal para evitar confusiones y/o facilitar la reparación en caso de ser necesario. En rojo los números de patas correspondiente a la base de la 5101. En blanco los números de patas de la memoria 6264.
![]() |
Adaptador instalado en una MPU de un Space Invaders Bally.
Video del adaptador Ver 1.0 y la máquina funcionando.
A
ADAPTADOR 2
En este adaptador se utilizó una antigua técnica de protección, la que consiste en conectar el bus de direcciones y datos no de la forma convencional. Para ahorrar cablerío innecesario las direcciones o datos se conectan a la pata correspondiente más cercana sin importar el orden ya que lo importante para CPU la es guardar y leer los datos desde la dirección que sea, lo importante es se mantenga siempre el mismo orden. Aquí se utilizaron patas largas individuales.
![]() |
Adaptador por arriba. Las patitas largas ya estan soldadas, después hay que cortar lo que sobresale por arriba o la base de la memoria no se podrá soldar. Luego se solda la base para la memoria. Dependiendo del tipo de base, es prudente poner algún tipo de cinta aislante en las puntas, ya que aunque estén cortadas al ras igual podrían hacer contacto en bases que tienen la parte inferior abierta. La base aquí utilizada era cerrada así que no fue necesario poner aislante.
![]() |
|
Diagrama físico del conexionado. Ovbiamente la memoria externa (que es más grande) es la 6264 va montada casi encima de las patas largas (en recuadro rojo), las cuales no coinciden directamente con la base de la memoria 6264 ya que ésta es un poco más ancha. En la memoria 6264 las patas 2, 10, 14 y 21 deben conectarse a GND (pin 8 de la 5101). Recuerde que por el lado de las soldaduras las patas estan en sentido inverso a la vista por arriba. En rojo los números de patas correspondiente a la base de la 5101. En blanco los números de patas de la memoria 6264.
![]() |
Adaptador instalado en una MPU de un Space Invaders Bally.
Video del adaptador Ver 2.0 y la máquina funcionando.
A
ADAPTADOR 3
Tercera versión, con bases "maquinadas". Para mi gusto este es el mejor de los tres, por orden, tamaño y facilidad de realización. Aunque éste tipo de bases son dificiles de conseguir y más dificil aun las de patas largas.
|
|
La base de la 5101 es del tipo maquinada de patas largas, la base de la 6264 es de patas cortas. En rojo los números de patas correspondiente a la base de la 5101. En blanco los números de patas de la memoria 6264.
|
|
Diagrama de conexiones. La base de patas largas (en recuadro rojo) queda traslapada con respecto a la base de la memoria 6264, sin entrar en conflicto físico. Recuerde que por el lado de las soldaduras las patas estan en sentido inverso a la vista por arriba. En rojo los números de patas correspondiente a la base de la 5101. En blanco los números de patas de la memoria 6264.
![]() |
Adaptador instalado en una MPU de un Space Invaders Bally.
Video del adaptador Ver 3.0 y la máquina funcionando.
Bueno, espero que estas tres versiones le ayuden a realizar el que más se adapte a sus necesidades y conocimientos. Antes de hacer la primera prueba hay que revisar muy bien, utilizando un multitester, que las conexiones estén bien hechas ya que siempre existe la posibilidad de causar un desperfecto mayor a la máquina en caso de errores. En la MPU Bally si no obtiene el tercer parpadeo del LED, algo esta mal en el adaptador, incluso la memoria 6264 puede estar fallada. En MPU con problemas de corrosión se recomienda reemplazar la base de la memoria 5101 por una completamente nueva, aquí no es conveniente ahorrar.
Disclaimer: Toda lainformación aquí entregada es gratuita y sin garantía. Apesar de eso, se asegura que todo fue comprobado y en redundancia se pusieron videos mostrando que los adaptadores fabricados funcionan.
Cuidado: Un flipper trabaja con voltajes que pueden ser peligrosos y causar graves heridas, incluso la muerte. Si Ud. no es técnico o no está familiarizado con reparar flippers recomiendo queNO lo intente.
Cualquier daño a su máquina o persona es de su exclusiva responsabilidad.
¿Alguna duda? Puedes consultar en el foro .



















